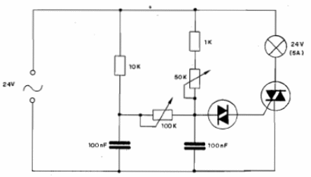
Algunas lámparas de proyectores y equipos industriales operan con una tensión de 24 V. El circuito mostrado en la figura posibilita el control de brillo de esas lámparas. El TRIAC puede ser cualquiera de la serie TIC de acuerdo con la corriente de la lámpara y el diac es común con tensión de disparo inferior a 20 V. El TRIAC debe estar dotado de radiador de calor y los condensadores son de poliéster. El potenciómetro de 100k ajusta el rango de actuación del control




