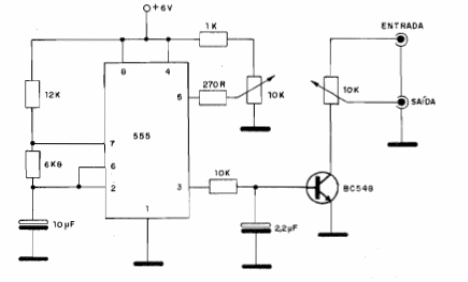
Intercalado entre un micrófono, un receptor de instrumento musical, una salida de mezclador o preamplificador y la entrada de un amplificador, este circuito produce el efecto de temblor. La frecuencia del efecto se ajusta en el potenciómetro conectado al resistor de 270 ohms y la profundidad del efecto se ajusta en el otro potenciómetro. Los cables de entrada y salida de señales deben ser blindados y la alimentación con una tensión de 6 V




