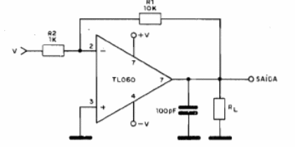
En la figura tenemos un amplificador operacional con ganancia 10 utilizando un amplificador operacional con FET. La fuente de alimentación debe ser simétrica de 3 a 12 V y se pueden utilizar amplificadores operacional de la misma serie TL. La ganancia es dada por R1 que se puede cambiar en una amplia gama de valores.




