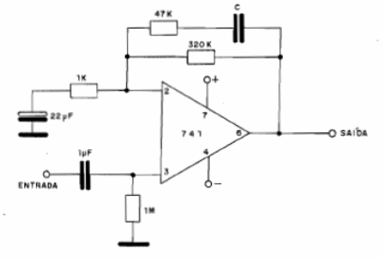
Este circuito puede ser útil en la recuperación de cintas de cassette y otros tipos para que sean grabados en CD con la debida ecualización NAB. El circuito puede ser intercalado entre la cabeza de lectura de las cintas y la entrada de un amplificador o incluso del ordenador para grabación en CD. El condensador C depende de la velocidad de la cinta. Para 3 ¼ pulgadas por segundo utilice 1n5, para 7 ½ pulgadas por segundo 910 pF; La fuente es simétrica de 6 a 12 V y la ganancia del circuito es de aproximadamente 200 veces.




