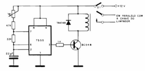
Este circuito fue originalmente diseñado para funcionar como un intervalador para limpiadores de parabrisas de coches. Sin embargo, también se puede utilizar con otros tipos de cargas, por ejemplo, en señalización, controlando lámparas o LED. El circuito integrado también puede ser sustituido por un 555 convencional, sin ningún cambio de los demás componentes. El relé es de 12 V con una cadena de bobina de hasta 50 mA. El trimpot de 1M hace el ajuste de los tiempos, y tiempos mayores se pueden obtener con el cambio del capacitor.




