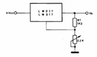
Este circuito es un regulador de tensión con el circuito integrado LM217 o LM317. El componente debe estar dotado de un disipador de calor. El ajuste de la tensión se realiza en el potenciómetro de 22 k.

Este circuito es un regulador de tensión con el circuito integrado LM217 o LM317. El componente debe estar dotado de un disipador de calor. El ajuste de la tensión se realiza en el potenciómetro de 22 k.
