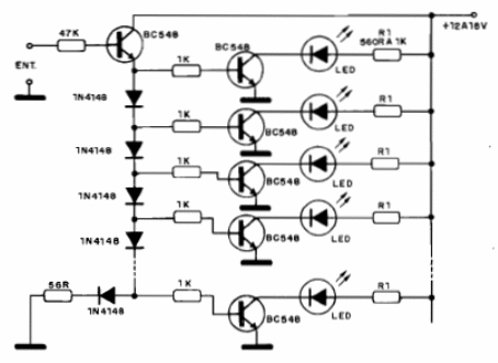
El circuito mostrado es un bargraph o indicador de barra móvil usando transistores comunes. La cantidad máxima de LED está limitada por la tensión de alimentación. Esta cantidad es dada por el producto del número de canales por la tensión de conducción de cada diodo 1N4148 que es de 0,7 V. Por supuesto, debe darse un buen margen de seguridad. Así, para 12 V el número máximo recomendado es 10. La tensión de alimentación es de 12 a 18 V y la entrada es de alta impedancia. El circuito se puede utilizar como un VU-meter de audio o en otras aplicaciones. Los resistores R1 determinan las corrientes en los LED.




