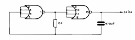
El capacitor determina la frecuencia de este circuito que se puede utilizar desde la pista de audio hasta algunos megahertz. La alimentación se hace con tensiones de 5 a 12 V.

El capacitor determina la frecuencia de este circuito que se puede utilizar desde la pista de audio hasta algunos megahertz. La alimentación se hace con tensiones de 5 a 12 V.
