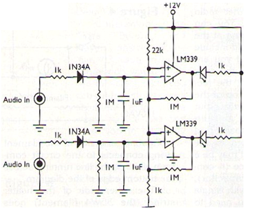
Este circuito es de una revista americana de 2003 consistente en un simple indicador de nivel de señal de audio. El indicador es estéreo y se conecta a la salida del amplificador. Los LED se encienden en presencia de la señal. El circuito es alimentado por 12 V de fuente externa. Vea en la sección de datasheets el pinado del LM339 o en otros artículos del sitio donde se utiliza este componente.




