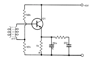
Encontramos este circuito simple en una publicación inglesa denominada Electronic Circuit Design en el n3 de la primavera de 1980. El circuito consiste en una configuración que utiliza un transistor como seguidor de emisor usado para detectar señales AM. La resistencia puede tener valores entre 1k y 2k2. Como transistor podemos utilizar cualquier tipo NPN de uso general. El circuito funcionará con tensiones de 6 a 12 V. Los capacitores de 20 nF pueden ser sustituidos por los valores actuales comerciales de 22 nF.




