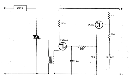
Encontramos este circuito simple en una publicación inglesa denominada Electronic Circuit Design en el n3 de la primavera de 1980. El circuito muestra un dispositivo que activa una carga cuando aumenta la humedad entre los sensores. Los sensores pueden ser barras de metal enterradas o dos pantallas separadas por un tejido poroso. El transistor puede ser el BC558 y la alimentación para el sector de baja tensión puede ser hecha con tensiones de 9 a 12 V. El transformador es un transformador de pulsos enrollado en un bastón de ferrita. Los dos devanados tienen 100 espiras de hilo de 28 a 32 AWG. El triac puede ser cualquiera de la serie TIC según la carga alimentada. El circuito funciona tanto en la red de 110 V como 220 V.




