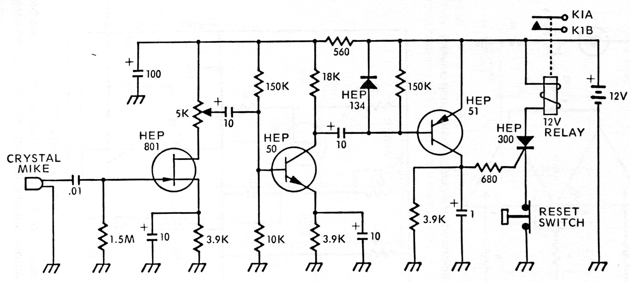
Esta sensible llave activada por sonido o ruido se puede utilizar en un sistema de alarma. El circuito es de una documentación antigua (1975) debiendo los semiconductores ser cambiados por tipos modernos. El FET puede ser el BF245 y los transistores el par BC548 y BC548. El micrófono es de cristal.




