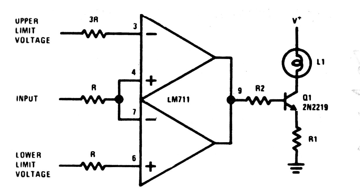
Este detector de límite o discriminador de ventana utiliza un amplificador operacional antiguo, pero se puede implementar con comparadores o operacionales modernos. El circuito activa una lámpara pero se puede utilizar otro tipo de carga.
Tenemos aquí un oscilador de audio que produce sonidos claros y audibles en un altavoz común. Usted...
Este circuito de sólo 3 componentes hace que una pequeña lámpara parpadee con el sonido de su...
Este preamplificador, que puede funcionar con una pila muy pequeña (AAA), montado en una cajita de...