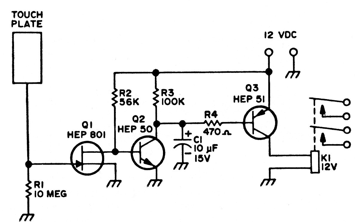
Este circuito es de una publicación antigua, pero puede ser montado con componentes modernos. Podemos usar el BF245 para el FET y el par BC548 y BC558 para los bipolares. El relé es de 12 V del tipo sensible. Nunca utilice fuente sin transformador para alimentar este circuito.




