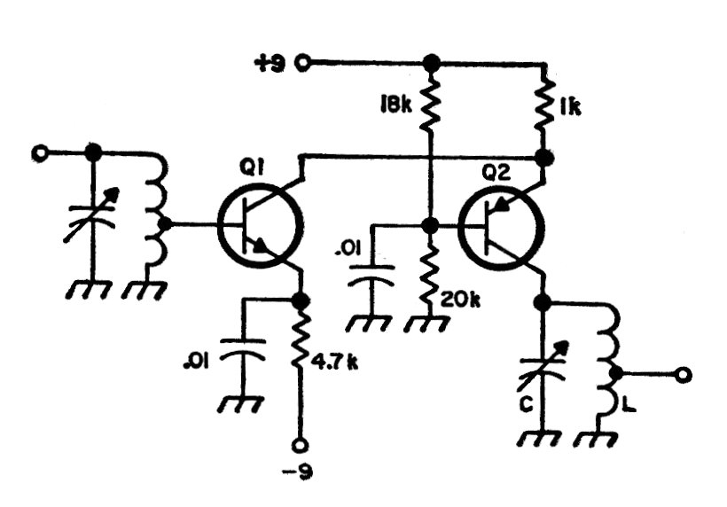
Los transistores son 2N918, 2N3464 y otros equivalentes de RF de la época a Q1. Para Q2 se pueden utilizar los 2N3399, 2N2894 y otros. Las bobinas son conforme a la frecuencia. El circuito opera en frecuencias hasta aproximadamente 100 MHz o más si se utilizan transistores apropiados. El circuito es de documentación de los años 70.




