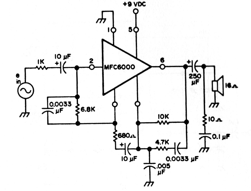
Este pequeño amplificador de audio fue encontrado en una publicación americana de 1975, El circuito integrado utilizado es raro actualmente. El circuito se utilizaba en receptores portátiles de la época y otras aplicaciones.
Tenemos aquí un oscilador de audio que produce sonidos claros y audibles en un altavoz común. Usted...
Este circuito de sólo 3 componentes hace que una pequeña lámpara parpadee con el sonido de su...
Este preamplificador, que puede funcionar con una pila muy pequeña (AAA), montado en una cajita de...