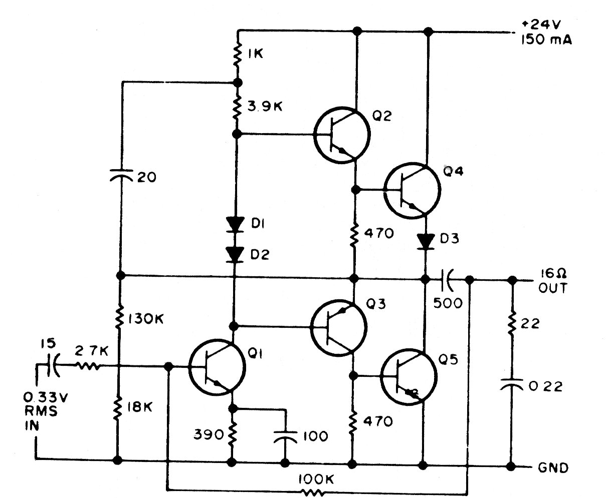
Este circuito, de una documentación americana de 1975 puede ser montado con transistores modernos como el par BD135 y BD136 en las salidas y transistores de uso general como los BC547 y 557 en las otras funciones. El circuito tiene una excelente calidad de sonido.




