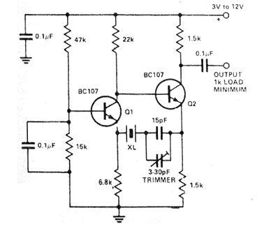
Encontramos este circuito en una publicación inglesa denominada Electronic Circuit Design en el n3 de la primavera de 1980. Este circuito puede operar con cristales de 100 kHz a 30 MHz y los transistores admite muchos equivalentes como los 2N2222, BC548, BC547, BF494 y muchos otros. Los capacitores deben ser cerámicos y el trimmer se ajusta al punto en que el circuito entre en oscilación al ser conectado.




