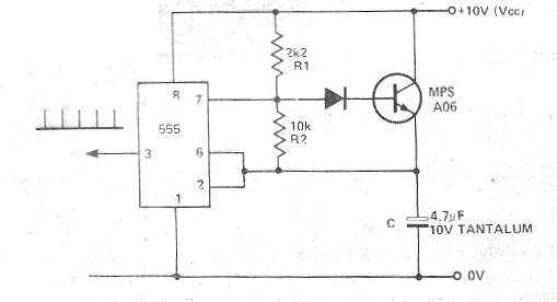
Este circuito salió en la revista inglesa Electronics Today International que ya no existe en su versión impresa. La edición fue de julio de 1976 y como todos los componentes son comunes, el proyecto es perfectamente viable en nuestros días. El transistor puede ser el BD135. Lo que este circuito hace es producir un pulso de duración extremadamente corto, con una relación marca espacio que llega a 1:10 000. Así, con los valores dados, tenemos un pulso de 120 us cada 10 segundos. La alimentación puede oscilar entre 9 y 12 V.




