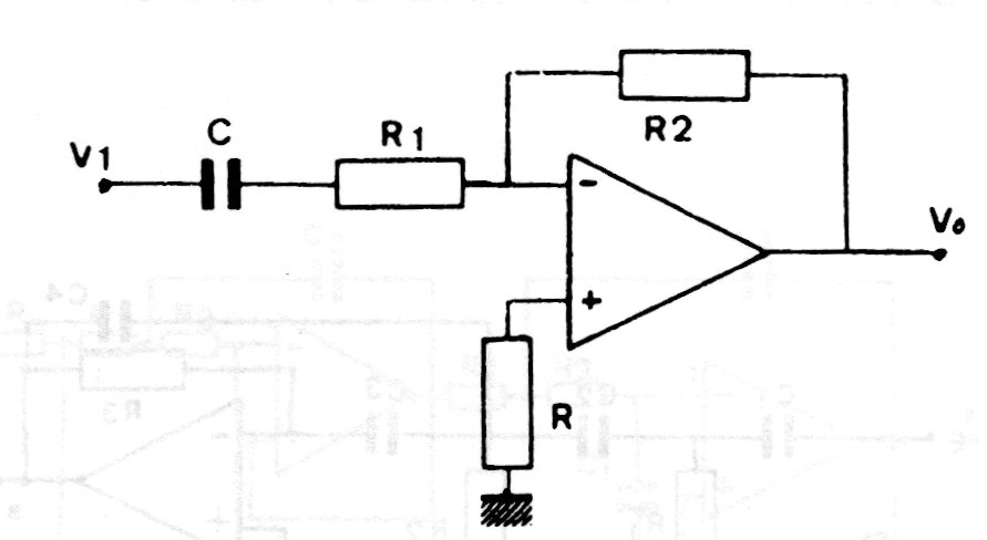
Esta es la configuración tradicional de un filtro pasa alto con amplificador operacional, como el 741. Los valores de R y C determinan la frecuencia mientras que la ganancia es dada por R2 y R1.
Es un ultra-simple aparato para demostrar en exposiciones y ferias de ciencias, pero que también se...
Los sonidos y los ultrasonidos pueden ser generados con el circuito mostrado en la figura 1, que...
Este pequeño temporizador se puede utilizar en el laboratorio de ciencias para medir el tiempo que no...