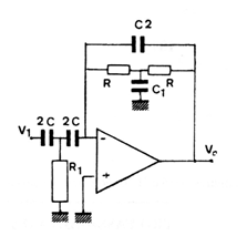
Los componentes de este filtro son calculados por las fórmulas convencionales (ver sección de matemáticas del sitio) y se puede implementar con prácticamente cualquier amplificador operacional como el 741. La fuente debe ser simétrica.

Los componentes de este filtro son calculados por las fórmulas convencionales (ver sección de matemáticas del sitio) y se puede implementar con prácticamente cualquier amplificador operacional como el 741. La fuente debe ser simétrica.
