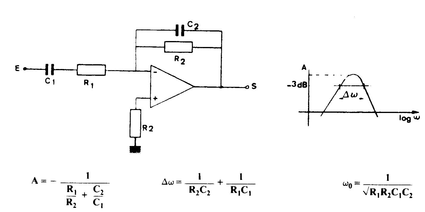
Este filtro, encontrado en un manual antiguo, tiene características de sobretensión reducida dada por el gráfico junto al diagrama. Las fórmulas para los cálculos de los componentes se dan junto al diagrama. Se pueden utilizar amplificadores operacionales de cualquier tipo.




