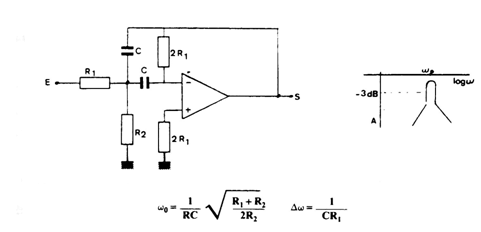
Este circuito fue encontrado en una documentación de los años 80 que posee características de sobretensión elevada dadas por el gráfico junto al diagrama. El filtro se puede implementar con cualquier operacional. La fuente de alimentación debe ser simétrica.




