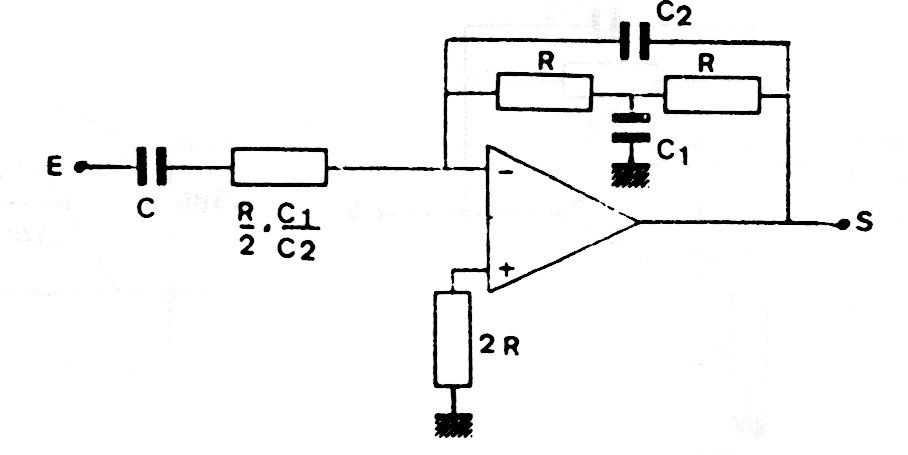
Este filtro pasa banda tiene un sistema de realimentación simple. Los valores de los componentes pueden ser calculados por las fórmulas encontradas en la sección de matemáticas. Se pueden utilizar amplificadores operacionales comunes.
Es un ultra-simple aparato para demostrar en exposiciones y ferias de ciencias, pero que también se...
Los sonidos y los ultrasonidos pueden ser generados con el circuito mostrado en la figura 1, que...
Este pequeño temporizador se puede utilizar en el laboratorio de ciencias para medir el tiempo que no...