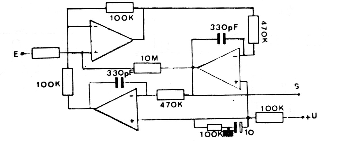
Este filtro tiene los componentes calculados para la frecuencia de 1 kHz, pero pueden ser alterados. La resistencia de entrada puede ser de 100k y la fuente simétrica. Cualquier operacional común puede ser utilizado.
Es un ultra-simple aparato para demostrar en exposiciones y ferias de ciencias, pero que también se...
Los sonidos y los ultrasonidos pueden ser generados con el circuito mostrado en la figura 1, que...
Este pequeño temporizador se puede utilizar en el laboratorio de ciencias para medir el tiempo que no...