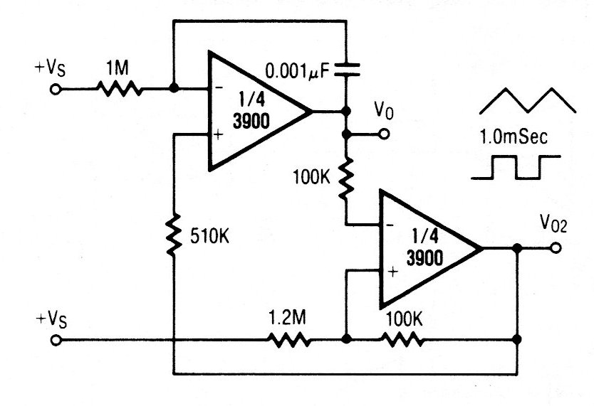
El circuito integrado usado de Raytheon ya no es común. El circuito fue obtenido en una documentación de los años 80 debiendo ser alimentado por fuente simétrica.
¿Cómo generar energía eléctrica a partir de dos monedas comunes? Si el lector cree que eso es...
Este circuito tiene por finalidad alimentar aparatos y circuitos de 0 a 6 V con corrientes hasta...
Fenómenos paranormales, aura y otros, pueden ser estudiados con la ayuda de la máquina Kirlian. Se...