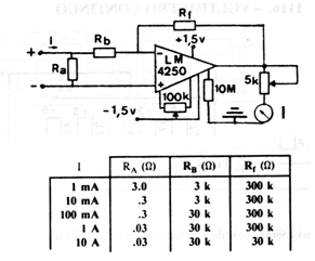
El circuito integrado de este instrumento no es común actualmente. Pueden ser probados operacionales equivalentes. El instrumento indicador es analógico con 1 mA de fondo de escala pudiendo ser usado en su lugar un multímetro en la escala más baja de corrientes.




