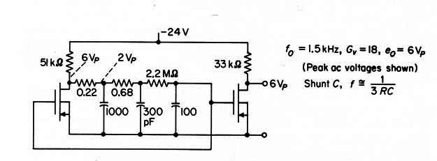
Encontramos este circuito oscilador de baja frecuencia sinusoidal en una publicación de 1968. El circuito utiliza MOSFETs que prácticamente pueden ser de cualquier tipo. La fórmula para el cálculo de los componentes está dada en el diagrama. La alimentación puede realizarse con tensiones entre 18 y 24 V.




