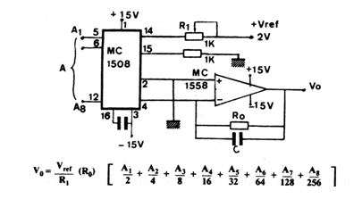
Este convertidor digital a analógico utiliza un integrado poco común actualmente en la conversión. El operacional también puede ser equivalente. El circuito es de una documentación de los años 90.

Este convertidor digital a analógico utiliza un integrado poco común actualmente en la conversión. El operacional también puede ser equivalente. El circuito es de una documentación de los años 90.
