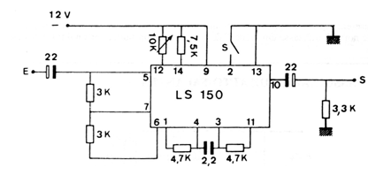
El LS150 es un amplificador operacional de alto rendimiento poco común actualmente. El circuito es de una documentación antigua y no requiere una fuente de alimentación simétrica.

El LS150 es un amplificador operacional de alto rendimiento poco común actualmente. El circuito es de una documentación antigua y no requiere una fuente de alimentación simétrica.
