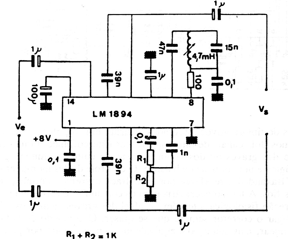
El circuito integrado utilizado en esta configuración para reducir el ruido en radios FM no es común en nuestros días. El circuito es de una documentación de los años 80 y la tasa de reducción obtenida es del orden de 10 dB.
¿Cómo generar energía eléctrica a partir de dos monedas comunes? Si el lector cree que eso es...
Una solución bastante atractiva aún en nuestros días para un amplificador de baja potencia simple...
Este es un circuito experimental que sirve para demostrar el principio de funcionamiento de un LDR...