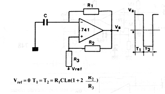
Este circuito que genera señales rectangulares, también puede ser implementado con otros operacionales. La fórmula para calcular los componentes se da junto al diagrama.

Este circuito que genera señales rectangulares, también puede ser implementado con otros operacionales. La fórmula para calcular los componentes se da junto al diagrama.
