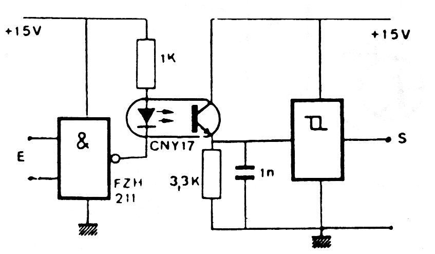
En la aplicación original este circuito fue indicado para interfaz aislada de lógica TTL. Sin embargo, se puede utilizar como escudo aislado para un microcontrolador que excita lógica TTL o viceversa. El acoplador óptico admite el equivalente.
¿Cómo generar energía eléctrica a partir de dos monedas comunes? Si el lector cree que eso es...
Una solución bastante atractiva aún en nuestros días para un amplificador de baja potencia simple...
Este es un circuito experimental que sirve para demostrar el principio de funcionamiento de un LDR...