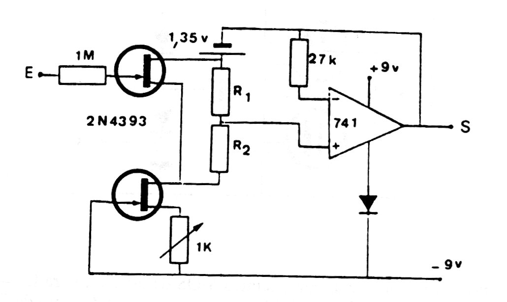
Este circuito es indicado para investigaciones biológicas donde la alta impedancia de entrada es fundamental para no afectar el espécimen analizado. El circuito de altísima resistencia de entrada excita un operacional que admite equivalente. Consulte la necesidad de una batería de polarización adicional. Los FET pueden ser los BF245.




