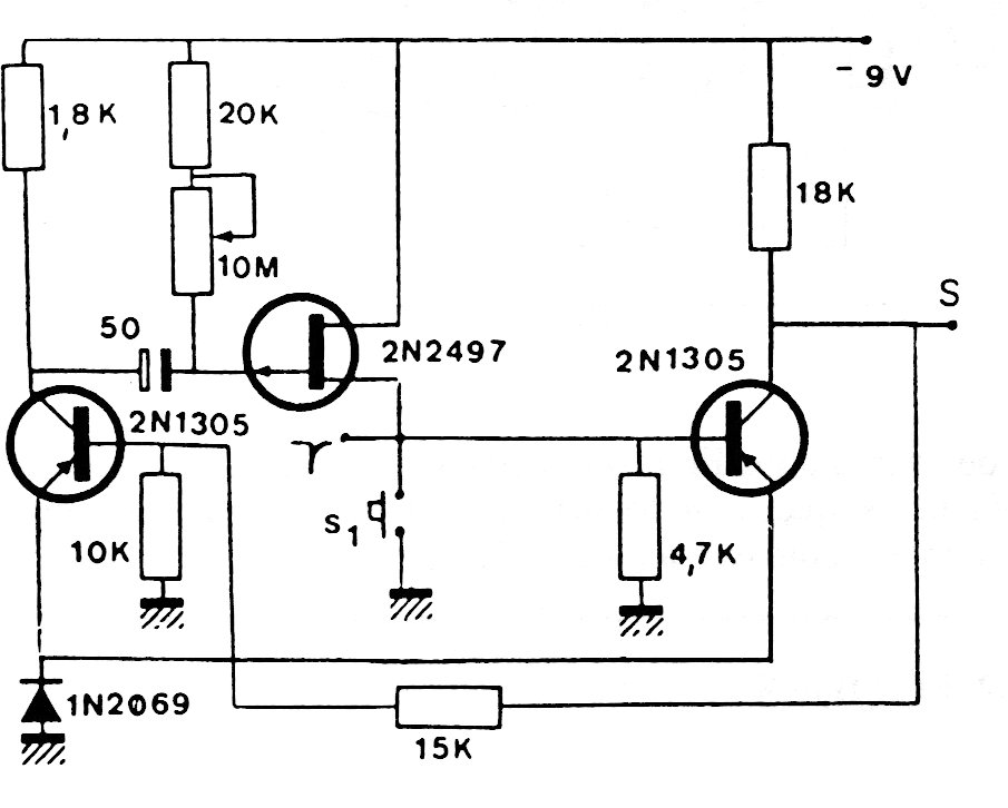
Encontramos este circuito en una documentación europea antigua. Se hace uso de JFET y transistores bipolares comunes que pueden ser reemplazados por equivalentes modernos. La alimentación se realiza con 9 V.
¿Cómo generar energía eléctrica a partir de dos monedas comunes? Si el lector cree que eso es...
Este circuito tiene por finalidad alimentar aparatos y circuitos de 0 a 6 V con corrientes hasta...
Fenómenos paranormales, aura y otros, pueden ser estudiados con la ayuda de la máquina Kirlian. Se...