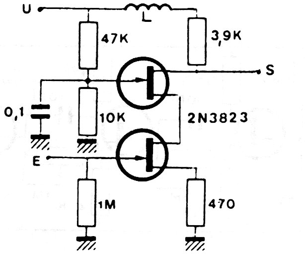
Este circuito está destinado a la amplificación de señales de vídeo analógico (vídeo compuesto) que se ha encontrado en una documentación de los años 80. El circuito utiliza FET de unión y tiene alimentación del orden de 15 V.

Este circuito está destinado a la amplificación de señales de vídeo analógico (vídeo compuesto) que se ha encontrado en una documentación de los años 80. El circuito utiliza FET de unión y tiene alimentación del orden de 15 V.
