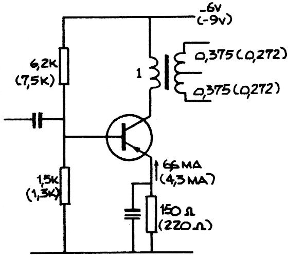
Esta etapa con transistores NPN de uso general de germanio tiene por carga un pequeño transformador de acoplamiento. El circuito es de una documentación de 1985.

Esta etapa con transistores NPN de uso general de germanio tiene por carga un pequeño transformador de acoplamiento. El circuito es de una documentación de 1985.
