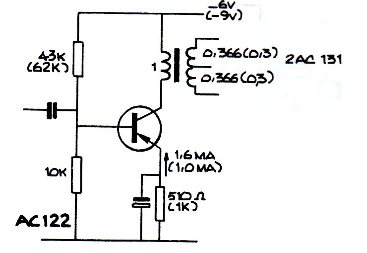
Este paso amplificador con un transformador de salida proporciona una fracción de watts. Encontramos en una publicación de 1985. El transistor usado es tipo de época de germanio.
¿Cómo generar energía eléctrica a partir de dos monedas comunes? Si el lector cree que eso es...
Una solución bastante atractiva aún en nuestros días para un amplificador de baja potencia simple...
Este es un circuito experimental que sirve para demostrar el principio de funcionamiento de un LDR...