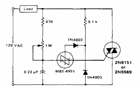
Con los componentes originales, sugeridos en una documentación de Motorola de 1971, este circuito puede controlar una carga de 800 W. Se pueden utilizar triacs más modernos y un SBS (Silicon Bilateral Switch) disponible, pero observándose las nuevas especificaciones de potencia.




