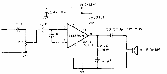
Encontramos este circuito en una documentación de 1977. El LM380 de National Semiconductor ya no se encuentra fácilmente, pero si se usa en este amplificador proporciona una excelente calidad de reproducción.

Encontramos este circuito en una documentación de 1977. El LM380 de National Semiconductor ya no se encuentra fácilmente, pero si se usa en este amplificador proporciona una excelente calidad de reproducción.
