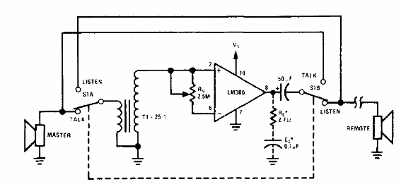
Este circuito se obtuvo en el Audio Handbook de National Semiconductor de 1977. Los componentes Rc y Cc se recomiendan para obtener mayor estabilidad. El transformador utilizado puede ser cualquiera del tipo de salida de radios transistorizados. La estación remota no debe permanecer a más de 20 metros de distancia. La tensión de alimentación puede oscilar entre 8 y 20 V.




