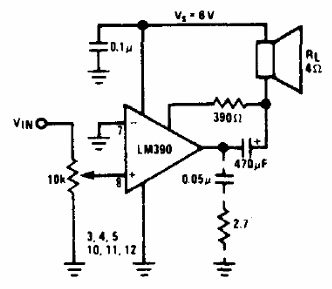
Este circuito es del Audio Handbook de National Semiconductor. El amplificador funciona con 6 V y está indicado para intercomunicadores, receptores experimentales y seguidores de señales.

Este circuito es del Audio Handbook de National Semiconductor. El amplificador funciona con 6 V y está indicado para intercomunicadores, receptores experimentales y seguidores de señales.
