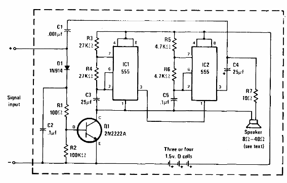
Este circuito originalmente fue recomendado para dar la señal de llamada en intercomunicadores. Sin embargo, se puede utilizar con otras aplicaciones. El circuito es de una documentación de 1978. El transistor puede ser el BC548.

Este circuito originalmente fue recomendado para dar la señal de llamada en intercomunicadores. Sin embargo, se puede utilizar con otras aplicaciones. El circuito es de una documentación de 1978. El transistor puede ser el BC548.
