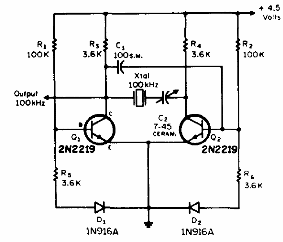
Encontramos este circuito en una revista CQ para radioaficionados de 1972. Los transistores pueden ser los 2N2222 y la frecuencia del circuito es dada por el cristal.

Encontramos este circuito en una revista CQ para radioaficionados de 1972. Los transistores pueden ser los 2N2222 y la frecuencia del circuito es dada por el cristal.
