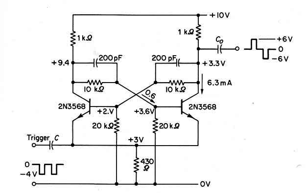
Este circuito biestable o flip-flop con dos transistores se encontró en una documentación de 1968, con el uso de transistores de la época. Sin embargo, puede ser implementado con transistores actuales. El cambio de disparo o estado se lleva a cabo por una señal aplicada a los emisores de los transistores.




