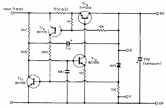
Encontramos este circuito en una documentación inglesa antigua. El BC179 puede ser sustituido por el BC558 y el BC109 por el BC548. El TIP32 debe estar dotado de radiador de calor. La ondulación es menor que 1 mV y la regulación es superior al 1%. Gracias a la retroalimentación AC.




