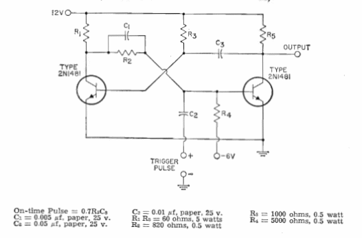
Encontramos este circuito tradicional de monoestable en el manual de circuitos integrados de la RCA de 1964. Los transistores pueden ser los BC548 y los capacitores pueden ser alterados para obtener otros tiempos de accionamiento.

Encontramos este circuito tradicional de monoestable en el manual de circuitos integrados de la RCA de 1964. Los transistores pueden ser los BC548 y los capacitores pueden ser alterados para obtener otros tiempos de accionamiento.
