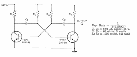
Encontramos este circuito tradicional de multivibrador en el manual de transistores de la RCA de 1964. Los transistores admiten equivalentes como los BC548 y la frecuencia puede ser alterada, conforme fórmula dada junto al diagrama.

Encontramos este circuito tradicional de multivibrador en el manual de transistores de la RCA de 1964. Los transistores admiten equivalentes como los BC548 y la frecuencia puede ser alterada, conforme fórmula dada junto al diagrama.
