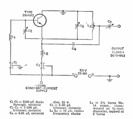
Este circuito, encontrado en el manual de transistores RCA de 1974, tiene una salida de 0,5 W a 70 MHz. El transistor es el componente crítico y las bobinas deben ser enrolladas por el montador. Observe la alta tensión de alimentación utilizada.

Este circuito, encontrado en el manual de transistores RCA de 1974, tiene una salida de 0,5 W a 70 MHz. El transistor es el componente crítico y las bobinas deben ser enrolladas por el montador. Observe la alta tensión de alimentación utilizada.
