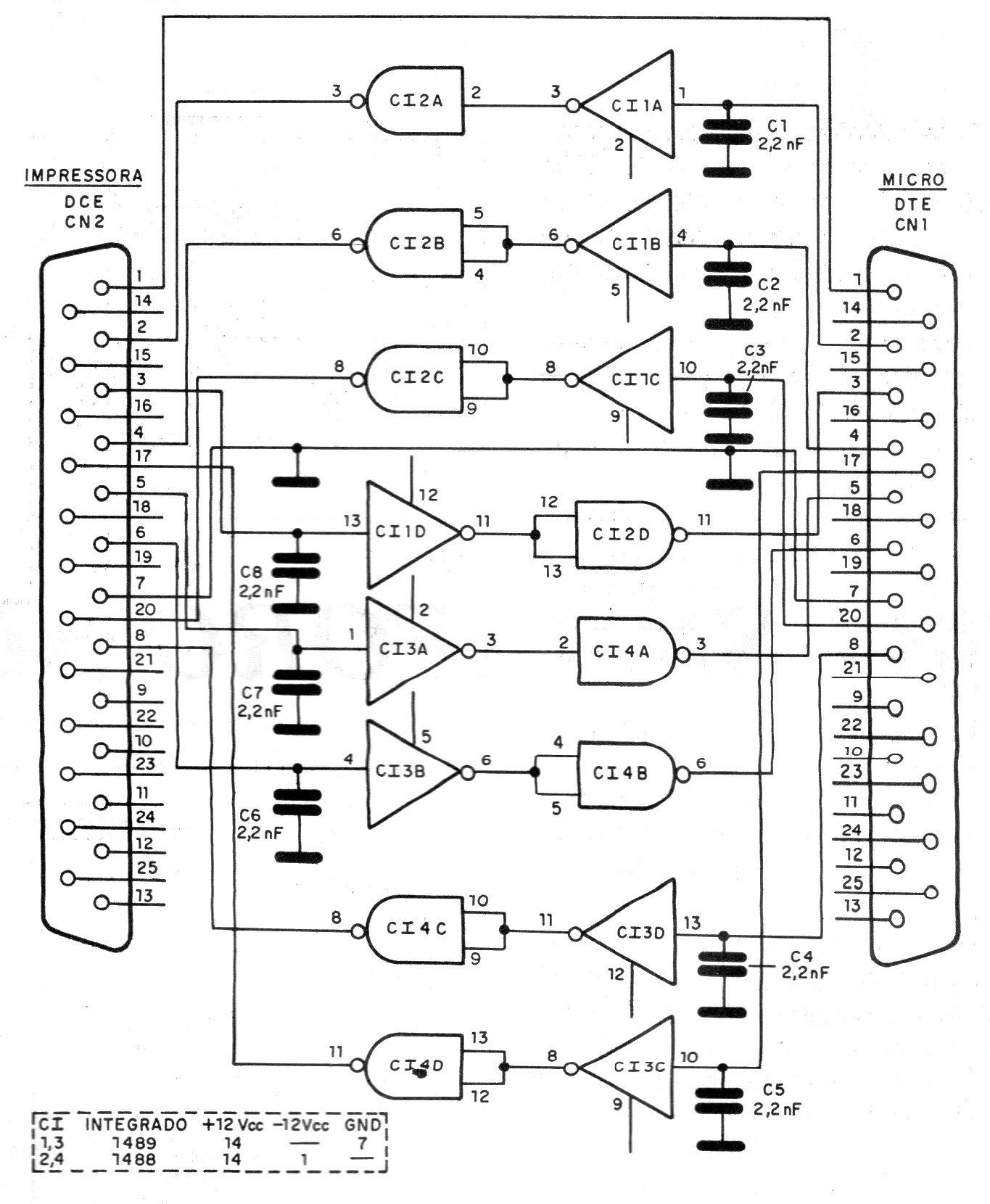
Si usted en un PC antiguo que utiliza para experimentos, control u otra aplicación, este circuito es de una documentación de 1995. Con él es posible hacer la conexión serial de periféricos a un microordenador. El circuito utiliza componentes que aún se pueden encontrar con facilidad. Los circuitos deben ser alimentados con una fuente de alimentación simétrica de 12 V en los pines apropiados.




